免费提供重庆盾构机存放,重庆盾构机维修,重庆盾构机保养的江苏重亚重工有限公司,为您发布相关信息和咨询,欢迎您的收藏。
你好,欢迎访问本网站!
全国免费热线:13905116311
联系人:朱亚军
手机: 13905116311
电话: 13905116311
传真: 0515-82068899
邮箱: 2008shzy@163.com
网址:chongqing.jszyzg.cn
地址: 江苏省盐城市建湖经济开发区光明路99号
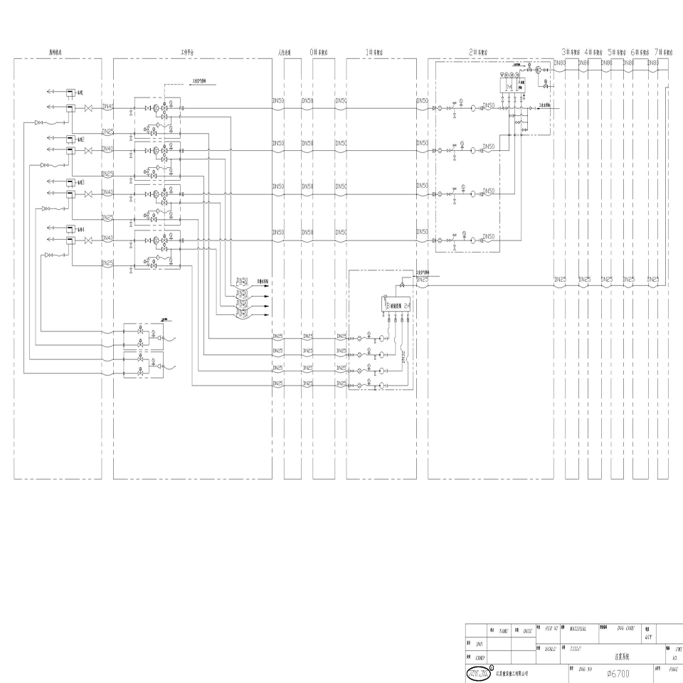
矩形盾构重庆注浆系统
用盾构工法挖掘隧道时,盾构机的后部环片和地盘之间产生盾尾内腔。如果置之不理土砂就会从盾尾内腔落下而造成地盘下沉。重庆注浆注入工法是在盾构机挖掘的同时盾尾内腔注入材料填满空洞来防止地盘下沉。因注浆材料能早起巩固从而提高隧道的防水性同时加强了隧道构造的安定性。